English
Español
Português
русский
Français
日本語
Deutsch
tiếng Việt
Italiano
Nederlands
ภาษาไทย
Polski
한국어
Svenska
magyar
Malay
বাংলা ভাষার
Dansk
Suomi
हिन्दी
Pilipino
Türkçe
Gaeilge
العربية
Indonesia
Norsk
تمل
český
ελληνικά
український
Javanese
فارسی
தமிழ்
తెలుగు
नेपाली
Burmese
български
ລາວ
Latine
Қазақша
Euskal
Azərbaycan
Slovenský jazyk
Македонски
Lietuvos
Eesti Keel
Română
Slovenski
मराठी
Srpski језик
Produkto savybės
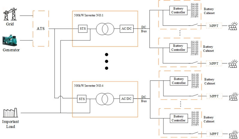
1. Kai apkrova viršija 500 kW, rekomenduojama naudoti didelės talpos 500 kW vieno bloko energijos kaupimo keitiklį, kuris gali palaikyti iki keturių lygiagrečių jungčių rinkinių, kurių bendra galia yra 2 MW;
2. Kai lygiagrečiai eksploatuojamos kelios 500 kW sistemos ir paskirstomi skirtingi STSacross 500 kW keitikliai, labai svarbu užtikrinti, kad kabelio ilgis nuo tinklo sujungimo taško iki apkrovos sujungimo taško būtų vienodas;
3. Hibridinėje ESS naudojama nuolatinės srovės prijungta fotovoltinė integracija, užtikrinanti aukštą energijos konversijos efektyvumą ir optimizuota ne tinkle esantiems scenarijams, kai fotovoltinės energijos gamybos pajėgumas viršija apkrovos poreikį; Lauke įvertintas MPPT
valdikliai sujungia kombinatoriaus ir MPPT funkcijas į vieną grūdintą korpusą. Visą sistemą sudaro dyzelinis generatorius ATS, 300 kW hibridinis keitiklis, PV MPPT valdiklis ir baterija.
energijos kaupimo sistema.


Specifikacija
| Modeliai | P500TS-400-A | |
|
DC-Side parametrai |
Įtampos diapazonas | 500-950V |
| Didžiausia srovė | 1128A | |
| Nominali išėjimo galia | 500 kW | |
|
AC-Side parametrai (prijungtas prie tinklo) |
Didžiausia išėjimo galia | 550 kW |
| Nominali išėjimo srovė | 722A | |
| THDi | <3 % | |
| Tinklelio tipas | 3W+N+PE | |
| Įtampos diapazonas | 360VAC ~ 440VAC | |
| Dažnių diapazonas | 45–55 Hz / 55–65 Hz | |
| Galios koeficientas | -1~1 | |
| Nominali išėjimo galia | 500 kW | |
|
AC šoniniai parametrai (Ne tinkle) |
Nominali išėjimo įtampa | 400V |
| Vardinis išėjimo dažnis | 50/60Hz | |
| THDu | <1 % tiesinė apkrova, < 5 % netiesinė apkrova | |
| Perkrovos pajėgumas | 110% 10 minučių | |
| Priežiūros aplinkkelio jungiklis | 1250A | |
|
Off-Grid jungiklis ir jungiklio konfigūracija |
DC jungiklis | 1250A |
| Apkrovos jungiklis | 1250A | |
| Tinklelio jungiklis | 1250A | |
| STS vienetas | 1155A/800kW | |
| Perjungimo laikas | <20ms | |
|
Sistemos parametrai |
Didžiausias efektyvumas | 97,5 % |
| Darbinė temperatūra | -30~55 ℃ (virš 40 ℃) | |
| Santykinė drėgmė | Nuo 0 iki 95 % RH, nekondensuojantis | |
| Matmenys (L*G*H) | 1600×1050×2050 mm | |
| Svoris | 2700 kg | |
| IPgrade | IP21 IP21 (visas įrenginys) | |
| Triukšmas | <70dB | |
| Ekranas | LCD | |
| BMS komunikacija | GALI | |
| EMS komunikacija | TCP/IP | |